LNOP可單獨或搭配ΣΔADC,其輸入通道具有10GΩ輸入阻抗及共模模式下90pF輸入電容設計,所以使用于高輸出阻抗信號源的量測應用。
變更不同LNOP通道,不需要關閉LNOP或ADC,但是內部網路切換後須丟棄前兩筆量測數值以確保量測數值的正確性。
HY11Pxx系列MCU設定為單端輸入時,對內部ADC而言還是差動輸入,因為此時的SI+端為使用者輸入的信號,SI-端為ACM,這種方法適用於對單端輸入信號的量測。
1. 採用內部電源直接供給,電路圖如下所示:

2. 採用外部電路分壓供給 web,電路圖如下所示:

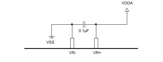
注意:建議VR+與VR-端電壓源與Sensor電壓源相同(都採用VDDA作為電壓源),這樣可以降低因電壓源漂移造成的ADC漂移。
Home buyers are an excellent option that should be considered in the event that you are looking to sell your property. They provide a process that is quick cover, simple, and can be completed in a matter of days, making it a great choice for someone who has to sell their property quickly. Visit https://www.cashhomebuyers.io/colorado/cash-house-buyers-greeley-co/.
不需要關閉LNOP或ADC,但是內部網路切換後須丟棄前兩筆量測數值以確保量測數值的正確性。
HY11Pxx系列MCU最高可外接8MHz振盪器,此時Timer-C工作頻率由INTR_CK提供可得最高工作頻率為2MHz,請參考 HY11P Family User’s Guide —振盪器、時脈源與功耗管理章節和計數器C,Timer-C章節。
由PWM頻率計算公式

可計算出PWM輸出脈衝頻率。當設置控制暫存器PRC[7:0]的參數為0時,可得到PWM輸出脈衝最高頻率為2MHz。請參考 HY11P Family User’s Guide —頻率產生器,PWM/PFD章節。 Cash Offers are well-versed in the real estate market and may assist sellers with information that is beneficial to them. They could assist you make judgements based on accurate information and provide you some insight into the buying and selling process. Visit https://www.cashoffers.com/alabama/cash-offer-auburn-al/.
MCU Power On時為了使Reset可以完全成功,建議Power On VDD上升時間在20ms以內。當電池逐漸沒電,電池內阻增大,造成VDD上升緩慢有機會會影響Reset成功率。
Data Sheet中電氣特性章節給出HAO為1.8MHz~2.2MHz,標準值為2.0MHz;LPO為22KHz~35KHz,標準值為28KHz。
若客戶需要精准的頻率,請使用Resonator或Crystal。
每種蜂鳴器都有各自的中心頻率,BZ的輸出頻率越接近蜂鳴器的中心頻率,蜂鳴器發出的聲音越響。所以設置BZ的輸出頻率儘量靠近蜂鳴器的中心頻率就可以。
在啟用VDDA時沒有關閉LNOP和SD18,如果Sensor電壓源使用VDDA,由於VDDA在啟用時需要一定的穩定時間,VDDA不穩定會造成量測結果不準確。
VDDA穩定時間視外接穩壓電容的大小而定,通常外接10µF穩壓電容情況下,建議啟動穩定時間約5ms;外接1µF穩壓電容情況下,建議啟動穩定時間約0.5ms。
SD18模組在啟用後網路量測網路進行切換,其類比/數位轉換輸出的前兩筆為參考數值,兩筆之後的資料為有效值。因此,為了得到準確的ADC值應該把前兩筆參考數值捨棄。
ADC啟動後,若暫存器“MCKCN2”發生被再次寫入或讀取的動作會造成AD counts的漂移,為了避免這種情況的發生建議關閉SD18後再啟動。
AIx口能夠用作普通的I/O口,只要正確設置I/O引腳即可,請參考 HY11P Family User’s Guide —輸入/輸出埠,I/O章節。
H08A指令集中用於查表的指令有2種選擇:第一種是用RETL指令;第二種是用MVLP指令搭配TBLR指令進行查表,詳細請參考H08A指令集說明書。
H08B指令集中用於查表的指令只有RETL指令,詳細請參考H08B指令集說明書。
當中斷開啟時,軟體中斷都會進入PC=04H,至於哪種中斷優先,全靠軟體判斷,沒有所謂的進入中斷後是否允許中斷再發生的部分。

理論上HY11P32的接法對Pump電路比較優化,但由於CPU工作頻率較快,會較早Enable Pump,而Pump check 3V的clock會晚一些到達,所以無法及時糾正Pump電壓導致Pump電壓一直向上沖,所以會出現VLCD暴充的情況。
解決上述問題的方法是:當HY11P32睡眠模式喚醒之後Delay 100ms(worst cast),再Enable LCD Pump。
Cash offers is experienced in the real estate market and can provide guidance on how to sell your home in the most profitable manner. They are able to assist you in comprehending the process and guarantee that you are offered a reasonable price for your house. Visit https://www.cashoffers.com/texas/cash-offer-huntsville-tx/.